A5010 UHF RFID 圓極化天線工業級、超薄短小設計, 只有25公分見方大小。 IP67 防塵水防護等級適合長期安裝在戶外環境使用 , 高標品質設計, 堅固耐用, 適合大型製造業、醫療院所追蹤重要設備、器材或貨物。
A5010 圓極化 UHF RFID 天線高品質與高效能為多用途 UHF RFID 天線產品樹立了全新等級標竿。
A5010 RFID 天線 特色
- 9公尺遠讀距
- 8.5dBiC 高增益, 低於 1dB 的超低軸向比, 具備優異全方向讀取效能
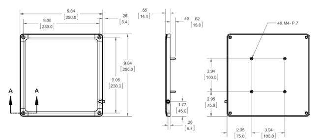
![A5010 UHF RFID 天線背後螺柱設計 與 VESA 支架相容]()
- 厚度只有 14mm, 易於安裝佈署
- 高效能、堅固耐用設計
- IP67防塵水等級耐戶外工業應用
- 有 平貼型(連接線接頭在側邊) 與 VESA 螺柱固定型 二款型號可選擇
A5010 合適應用
適合固定安裝在室內與戶外, 或在室內、戶外移動的叉車上
- 在製品(WIP)追蹤管控
- 醫療器材追蹤
- 大範圍資產設備追蹤
- 戶外 RFID 追蹤管控出入口
- 倉庫叉車
- 安裝天線位置厚度空間有限



產品規格
| A5010 UHF RFID 天線 | |
|---|---|
RF 性能參數 |
|
| 頻率範圍 | 歐規 865~867 MHz / 美規 902~928 MHz |
| 增益(Gain) | 8.5 dBiC |
| 電壓駐波比(VSWR) | 1.3 |
| 3 dB 波束寬度 | 雙向均 68° |
| 前後比 | -20 dB |
| 軸向比 | 1 dB |
| 極化 | 右旋圓極化(RHCP) |
| 標稱阻抗 | 50 Ω |
| 天線感測 | 10 KΩ 電阻 |
| 防靜電保護 | DC接地 |
| 最大輸入功率 | 3 W |
物理參數 |
|
| 固定安裝型式 | 直接背靠貼黏、鎖孔固定 / 後面 VESA 相容螺柱 (二種型號可選擇) |
| 接頭 | 側邊 SMA 母頭 |
| 材質 | 抗 UV ABS |
| 重量 | 0.75 Kg |
| 尺寸(長x 寬x 厚) | 250 mm x 250 mm x 14 mm |
使用環境 |
|
| 密封防護等級 | IP67 |
| 工作溫度 | -20° ~ +55°C |
| 儲存溫度 | -30° ~ +65°C |

A5010 UHF RFID 天線 場型圖


