AA-SP12 是一款極輕薄高增益圓極化 UHF RFID 天線, 具備 70°/40° 無線射頻波束讀角。
輕薄外型與高增益的設計組合讓 AA-SP12 UHF RFID 天線相當適合 RFID 出入口, RFID 通道, RFID 追蹤管控系統 等相關 RFID 應用。
天線 特色
- 9.5dBi 高增益, 10公尺超遠讀距
- 厚度只有 11.6mm, 重量只有 385g, 輕薄外型, 易於佈署
- 高性價比, 成本效益高
合適應用
- RFID 出入口
- RFID 通道
- RFID 追蹤管控系統
AA-SP12 UHF RFID 天線 產品規格
| AA-SP12 UHF RFID 天線 | |
|---|---|
性能參數 |
|
| 頻率範圍 | 歐規 865 – 868 MHz / 美規 902 – 928 MHz |
| 讀距 | 最遠可達10m |
| 增益(Gain) | 9.5 dBi |
| 波束寬度 | 40°/70° |
| 極化 | 圓極化 |
| 輸入阻抗 | 50 Ohms |
物理參數 |
|
| 安裝型式 | 直接背靠貼黏、鎖孔固定 |
| 接頭 | 側邊 SMA 母頭 |
| 重量 | 385g |
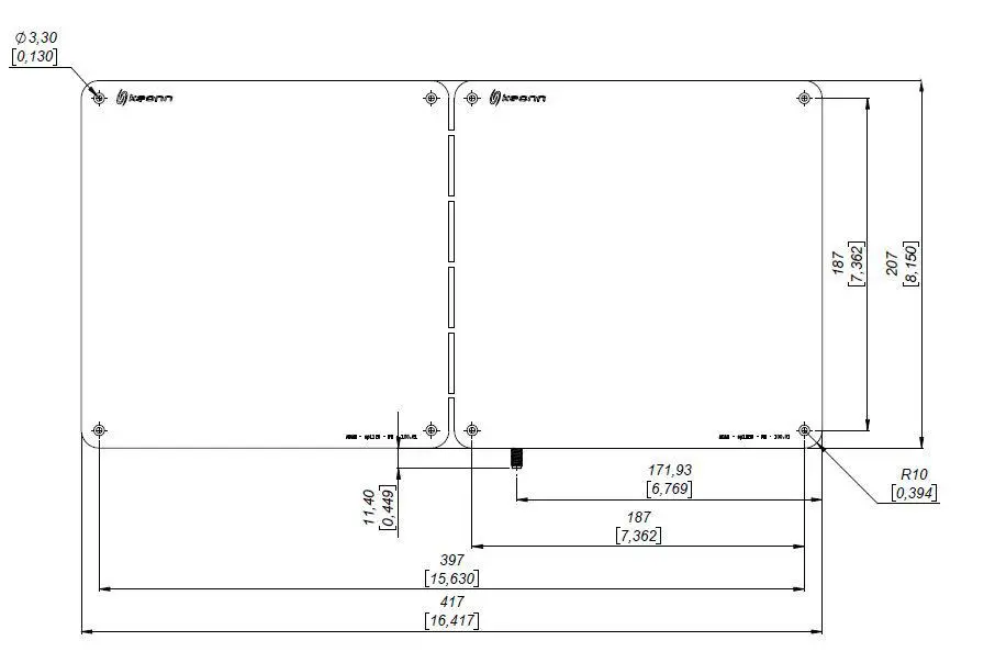
| 尺寸(長x 寬x 厚) | 417 mm x 207 mm x 11.6 mm |
無線射頻 頻譜圖
![]() |
![]() |
![]() |
天線 尺寸






