RH800H 是一款可耐攝氏230度高溫製程, 吊掛型 UHF RFID 標籤, 適合單次使用, 歷經高溫烘烤製程的 RFID 追蹤管控應用。 全頻段設計, 適用於世界各地; 8米遠讀距優異效能, 提供塑膠等非金屬材質高溫製程的吊掛式 RFID 標籤追蹤管控應用。
RH800H 產品特色
- 可耐攝氏230高溫
- 8m 遠讀距優異效能
- 適用於 塑膠等非金屬材質
- IP68防塵水等級
RH800H 合適應用
RH800H UHF RFID標籤具備耐高溫能力, 採用優質封裝材質, 並同時支援美規與歐規全頻段, 非常適合以下行業的 RFID 追蹤管控應用:
- 生產製造業
- 汽車烤漆作業
- 電子業
![]()
RH800H RF 規格
| 無線射頻協定 | EPC Class1 Gen2v2 | |
|---|---|---|
| 頻率範圍(MHz) | 860~960 MHz (全頻段) | |
| 材質相容性 | 塑膠等非金屬材質 | |
| 讀距 |
|
|
| IC 晶片 | Alien Higgs 3 | |
| 記憶體空間 |
|
|
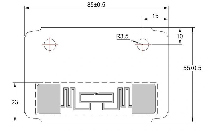
RH800H 物理規格
| 材質 | 耐高溫合成標籤 |
|---|---|
| 大小 | 85 x 55 x 0.49mm (+/-0.5) |
| 重量 | 1.5g |

RH800H 環境規格
| 作業溫度 | -40℃~+85℃ |
|---|---|
| 可承受環境溫度 | -40℃ ~ +230℃ |
| 防塵水等級 | IP68 |
| 耐震等級 | MIL STD 810-G |
| 固定 | 二個掛孔, 可吊掛於追蹤管控物件上 |
| 認證 | 通過 RoHS 與 CE ATEX/IECEx 認證 (選配) 與 US & Canada [C1D1/D2] 認證(選配) |
| 出貨形式 | 卷(每卷1020張 Tag, 多2%標籤量) |
| 列印&錄碼 | 標籤表面雷標列印服務(選配) |
| 保固 | 一年 |
RH800H RFID 標籤 頻譜圖

